Flanged True Union Ball Valve
ADVANTAGES:
1) Materials meet drinking water standard
2) Smooth opening & closing thanks to a lower torque
3) Materials modified by nanometer,improving the pressure resistance and impact resistance
4) Raw materials add anti ultraviolet absorbent and antioxidant, improving the durability, ageing resistance
5) 100% pressure testing before leaving the factory
DESCRIPTION:
1) Material:UPVC,CPVC,PP,PVDF
2) Size:1/2''-4'';20mm-110mm;DN15-DN100
3) Standard:ANSI,DIN,JIS
4) Joint End:Flanges
5) Working Pressure:150 PSI
6) Operating Temperature:UPVC(5~55℃); CPVC&PPH(5~90℃);PVDF(-20~120℃)
7) Handle color:red,blue,green,orange
Valve body color:UPVC(dark gray),CPVC(light gray),
PPH(light yellow),PVDF(ivory)
1) Materials meet drinking water standard
2) Smooth opening & closing thanks to a lower torque
3) Materials modified by nanometer,improving the pressure resistance and impact resistance
4) Raw materials add anti ultraviolet absorbent and antioxidant, improving the durability, ageing resistance
5) 100% pressure testing before leaving the factory
DESCRIPTION:
1) Material:UPVC,CPVC,PP,PVDF
2) Size:1/2''-4'';20mm-110mm;DN15-DN100
3) Standard:ANSI,DIN,JIS
4) Joint End:Flanges
5) Working Pressure:150 PSI
6) Operating Temperature:UPVC(5~55℃); CPVC&PPH(5~90℃);PVDF(-20~120℃)
7) Handle color:red,blue,green,orange
Valve body color:UPVC(dark gray),CPVC(light gray),
PPH(light yellow),PVDF(ivory)
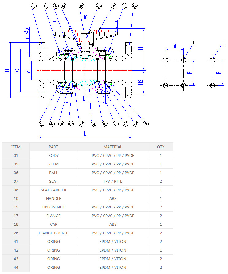
SPECIFICATIONS(UNIT:MM)

| SIZE | d? | C | D | L | L1 | W | H1 | H2 | F | M | I | n-?e | ||||
| ? | ? | ? | ANSI? | JIS | DIN | |||||||||||
| 1/2"(15)? | 15 | 60.50 | 70.00 | 65.00 | 95.00 | 137.00 | 52.00 | 84.00 | 52.50 | 27.50 | 31.00 | —— | M6 | 4-15.7 | 4-15 | 4-14 |
| 3/4"(20)? | 20 | 70.00 | 75.00 | 75.00 | 105.00 | 142.00 | 54.00 | 90.00 | 59.00 | 32.00 | 33.00 | —— | M6 | 4-15.7 | 4-15 | 4-15 |
| 1"(25)? | 25 | 79.20 | 90.00 | 85.00 | 125.00 | 162.00 | 62.00 | 106.00 | 67.50 | 37.25 | 40.00 | —— | M6 | 4-15.7 | 4-19 | 4-14 |
| 1?"(32)? | 32 | 88.90 | 100.00 | 100.00 | 140.00 | 186.00 | 70.00 | 116.00 | 77.50 | 42.75 | 52.00 | —— | M8 | 4-15.7 | 4-19 | 4-19 |
| 1?"(40)? | 40 | 98.60 | 105.00 | 110.00 | 145.00 | 205.50 | 79.00 | 128.00 | 90.00 | 50.00 | 52.00 | —— | M8 | 4-15.7 | 4-19 | 4-18 |
| 2"(50)? | 50 | 120.70 | 120.00 | 125.00 | 165.00 | 217.00 | 85.00 | 140.00 | 106.00 | 60.00 | 70.00 | —— | M8 | 4-19.5 | 4-19.5 | 4-18 |
| 2?"(65)? | 63 | 139.50 | 140.00 | 145.00 | 182.00 | 302.50 | 132.50 | 210.00 | 136.50 | 76.50 | 84.00 | 45.00 | M10 | 4-19.5 | 4-19.5 | 4-18 |
| 3"(80)? | 75 | 152.40 | 150.00 | 160.00 | 200.00 | 330.00 | 150.00 | 235.00 | 149.50 | 86.00 | 84.00 | 45.00 | M10 | 4-19 | 8-19 | 8-18 |
| 4"(100)? | 97 | 190.50 | 175.00 | 180.00 | 228.00 | 378.00 | 172.00 | 260.00 | 175.00 | 107.00 | 121.00 | 49.00 | M12 | 8-19 | 8-19 | 8-18 |
?

