雙片法蘭
優點:
描述:
1) 尺寸: 1/2'' ~ 12''; 20mm ~ 315mm ; DN15 ~ DN300
2) 標準: ANSI, DIN
3) 連接: 插口
4) 材質和顏色 : PVC(深灰色), CPVC(淺灰色)
5) 操作溫度: PVC(0~55℃); CPVC(0~95℃)
描述:
1) 尺寸: 1/2'' ~ 12''; 20mm ~ 315mm ; DN15 ~ DN300
2) 標準: ANSI, DIN
3) 連接: 插口
4) 材質和顏色 : PVC(深灰色), CPVC(淺灰色)
5) 操作溫度: PVC(0~55℃); CPVC(0~95℃)
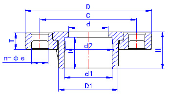
產品規格(單位: MM)

SCH80
| 尺寸 | D | D1 | C | d | d1 | d2 | H | T | I | n-Φe |
| 1/2' | 87.00 | 30.00 | 60.30 | 15.00 | 21.54 | 21.23 | 26.00 | 14.00 | 23.00 | 4-16 |
| 3/4' | 98.00 | 38.00 | 70.00 | 20.00 | 26.87 | 26.57 | 29.00 | 15.00 | 26.00 | 4-16 |
| 1' | 108.00 | 47.00 | 79.40 | 25.00 | 33.66 | 33.27 | 33.00 | 16.00 | 29.00 | 4-16 |
| 1¼' | 117.00 | 55.00 | 88.90 | 32.00 | 42.42 | 42.04 | 37.00 | 18.00 | 32.00 | 4-16 |
| 1½' | 128.00 | 60.50 | 98.00 | 40.00 | 48.56 | 48.11 | 42.80 | 19.00 | 36.60 | 4-16 |
| 2' | 155.50 | 73.80 | 121.00 | 51.00 | 60.63 | 60.17 | 45.50 | 21.00 | 40.00 | 4-19 |
| 2½' | 178.00 | 89.00 | 140.00 | 63.00 | 73.38 | 72.85 | 52.50 | 25.00 | 46.50 | 4-19 |
| 3' | 192.00 | 108.00 | 152.00 | 77.00 | 89.31 | 88.70 | 56.50 | 27.00 | 50.00 | 4-19 |
| 4' | 230.00 | 133.00 | 191.20 | 102.00 | 114.76 | 114.10 | 67.00 | 29.00 | 59.80 | 8-19 |
| 5' | 256.00 | 161.80 | 216.00 | 129.00 | 141.81 | 141.00 | 77.50 | 31.00 | 69.40 | 8-22 |
| 6' | 285.00 | 191.00 | 241.00 | 156.00 | 168.83 | 168.00 | 88.00 | 33.00 | 79.00 | 8-22 |
| 8' | 343.00 | 243.00 | 298.00 | 204.00 | 219.84 | 218.70 | 118.00 | 36.00 | 102.00 | 8-22 |
| 10' | 406.40 | 308.00 | 362.00 | 256.00 | 273.81 | 272.67 | 151.00 | 42.00 | 127.50 | 12-25 |
| 12' | 483.00 | 364.00 | 432.00 | 305.00 | 324.61 | 323.47 | 190.00 | 42.00 | 165.00 | 12-25 |
PN16
| 尺寸 | D | D1 | C | d | d1 | d2 | H | T | I | n-Φe |
| 8'(200) | 343.0 | 248.0 | 298.0 | 204.0 | 225.7 | 225.3 | 131.0 | 36.0 | 119.0 | 8-23 |
| 10'(250) |
|
275.0 | 350.0 | 225.0 | 250.8 | 250.3 | 141.0 | 32.0 | 131.5 | 12-23 |
| 12'(300) | 445.0 | 346.0 | 400.0 | 300.0 | 316.0 | 315.4 | 190.0 | 42.0 | 165.0 | 12-23 |

